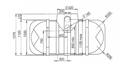
Podziemny zbiornik na wodę pitną Oslo 4000 L to trwałe i bezpieczne rozwiązanie do magazynowania czystej wody w gospodarstwie domowym, rolnictwie i przemyśle. Wykonany metodą formowania rotacyjnego z certyfikowanego, atestowanego przez PZH polietylenu, jest jednopłaszczowy, monolityczny i w pełni szczelny. Żebrowana konstrukcja zapewnia dodatkowe wzmocnienie i odporność na nacisk gruntu, także przy wysokim poziomie wód gruntowych. Zbiornik nie posiada łączeń, co eliminuje ryzyko naprężeń i pęknięć, a gładkie ścianki ułatwiają utrzymanie higieny. Dzięki lekkości materiału montaż jest szybki i wygodny, a zestaw zawiera nadstawkę 40 cm i szczelną pokrywę. To uniwersalny zbiornik na wodę pitną i technologiczną, który sprawdzi się zarówno w prywatnych gospodarstwach, jak i w zakładach przemysłowych.
Montaż
Instalator przygotowuje wycenę usługi.
Dom i Woda nie wykonuje usług montażu zakupionych produktów. Instalatorzy są odrębnymi firmami, a skorzystanie z ich usług jest oczywiście dobrowolną decyzją każdego Klienta.
Klient kupujący w sklepie Dom i Woda może otrzymać kontakt do doświadczonego instalatora, jednak umowę na montaż Klient powinien podpisać z firmą instalacyjną, która wycenia zleconą usługę, wystawia oddzielną fakturę i ta firma ponosi odpowiedzialność za swoją pracę, rozpatruje ewentualne roszczenia czy reklamacje. Dom i Woda nie gwarantuje dostępności instalatora w wybranym terminie i podjęcia się wykonania zlecenia.
Montaż możesz wykonać również sam.
Pełna instrukcja montażu dostarczana jest razem ze zbiornikiem lub dostępna na życzenie klienta.
Skrócony opis montażu zbiornika Oslo 4000 L
- Wykop i podłoże – należy przygotować dół o wymiarach większych od zbiornika, zachowując 10–30 cm odstępu od ścian wykopu. Dno wykopu wyrównać i wysypać 10–20 cm warstwą ubitego piasku.
- Ustawienie zbiornika – zbiornik umieścić stabilnie w wykopie i napełnić wodą do ok. 1/3 pojemności. W miejscach wewnętrznych ścianek zbiornika zaleca się podparcie podłożem lub zalanie betonem, aby uniknąć „wiszenia” w powietrzu.
- Zasypywanie – przestrzeń wokół zbiornika zasypywać warstwami piasku, systematycznie go ubijając, a jednocześnie stopniowo dolewać wody do zbiornika. W trudnych warunkach (glina, wysoki poziom wód gruntowych) stosować mieszankę piasku z cementem w proporcji 3:1.
- Wykończenie górnej warstwy – górną powierzchnię zbiornika zabezpieczyć 10–20 cm warstwą suchego betonu (mieszanka piaskowo-cementowa), a następnie przysypać piaskiem.
Ważne: Zbiornik nie jest zbiornikiem najazdowym – nie wolno montować go pod podjazdami ani w miejscach, gdzie poruszają się pojazdy.
Jak długo można przechowywać wodę pitną?
Magazynowanie wody pitnej staje się coraz bardziej popularne – nie tylko z myślą o sytuacjach awaryjnych, ale także jako rozwiązanie w miejscach, gdzie brakuje stałego dostępu do wodociągu. To szczególnie ważne na placach budowy, działkach rekreacyjnych, podczas prac sezonowych lub w lokalizacjach oddalonych od infrastruktury miejskiej. W takich sytuacjach własny zapas wody to konieczność.
Aby jednak woda była bezpieczna do picia, nie wystarczy po prostu ją zgromadzić. Trzeba ją odpowiednio przechowywać. Sprawdź, jak długo można magazynować wodę do picia i jakie warunki zapewnią jej trwałość.
Co wpływa na trwałość wody pitnej?
Rodzaj zbiornika
Najważniejszym elementem jest wybór odpowiedniego pojemnika. Najlepiej sprawdzają się zbiorniki z polietylenu (PE), dopuszczone do kontaktu z wodą spożywczą i posiadające atest PZH. Dobrej jakości zbiorniki:
– są odporne na promieniowanie UV,
– nie przepuszczają światła, co zapobiega rozwojowi glonów,
– są szczelne i zabezpieczają wodę przed zanieczyszczeniami,
– mają lekką, mobilną konstrukcję.
Warunki przechowywania
Woda będzie nadawać się do spożycia przez dłuższy czas, jeśli zbiornik:
– jest przechowywany w zacienionym miejscu,
– nie jest narażony na wahania temperatur,
– jest regularnie kontrolowany i czyszczony.
Jak długo można przechowywać wodę?
Woda pitna przechowywana w szczelnym, czystym zbiorniku i w odpowiednich warunkach może być zdatna do picia nawet przez 6–12 miesięcy. Dla bezpieczeństwa zaleca się jednak jej wymianę co pół roku. Po roku najlepiej wykorzystać ją do celów gospodarczych, takich jak podlewanie ogrodu czy mycie sprzętu.
Jak sprawdzić, czy woda jest bezpieczna?
Aby mieć pewność, że woda jest zdatna do picia:
– przegotuj ją, by zniszczyć bakterie i wirusy,
– zastosuj tabletki uzdatniające,
– przefiltruj wodę za pomocą filtra węglowego lub ceramicznego.
Warto także regularnie sprawdzać czystość zbiornika – to ograniczy osadzanie się kamienia i rozwój drobnoustrojów.
Gdzie przydaje się woda pitna z własnego zbiornika?
Zapas wody pitnej jest niezbędny:
– na placach budowy, gdzie nie ma dostępu do wodociągu,
– na działkach letniskowych i terenach rekreacyjnych,
– w domach jednorodzinnych na wypadek awarii sieci,
– w gospodarstwach rolnych i podczas transportu cieczy.
W takich miejscach trudno o bieżącą wodę, dlatego odpowiednio przygotowany zbiornik to wygodne i bezpieczne rozwiązanie.


Sprawdź oceny naszych Klientów 
