Zastosowanie filtra w instalacji zbiornika do deszczówki
· Redukcja części stałych wpadających do zbiornika
· Ochrona pompy przed uszkodzeniem
· Stosowany do 500 m² dachu.
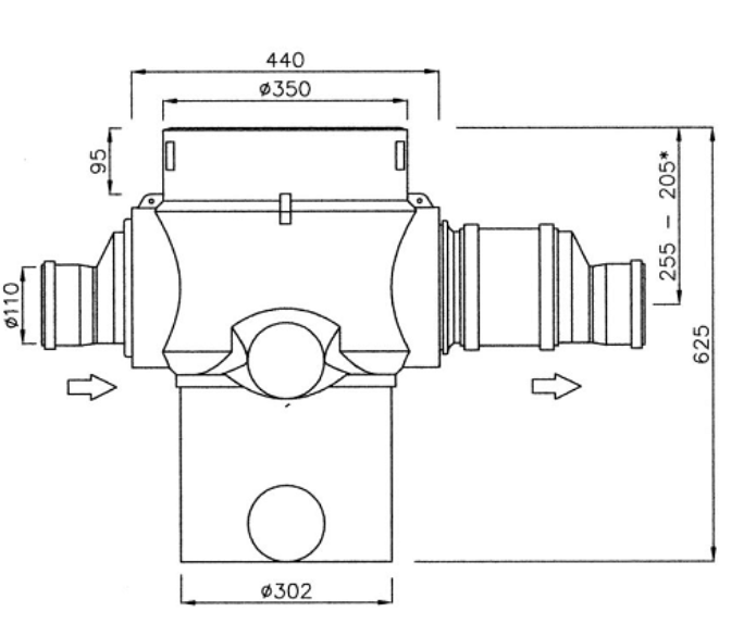
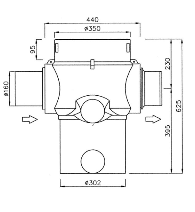
· Filtr Maxi Premium, produkt niemiecki, stosowany jest do mechanicznego oczyszczania dopływającej wody deszczowej w instalacjach wody deszczowej, układach drenażowych oraz w stawach. Średnica przepustowa oczek wynosi 0,9 mm, co gwarantuje dokładne filtrowanie. Maksymalna możliwa powierzchnia przyłączeniowa (z dachu, tarasu) wynosi około 350 m². W podstawowym zakresie dostawy filtra zawarta jest pokrywa przeznaczona do montażu na powierzchniach klasy A (przeznaczonych dla rowerzystów, pod ruch pieszy). Możliwy jest także montaż przy wyższych obciążeniach ruchowych (od samochodów osobowych, od samochodów ciężarowych).
Filtr jest przeznaczony do montażu pod powierzchnią gruntu. Ma on za zadanie oczyścić wodę deszczową przed dopływem do zbiornika. Nie jest konieczna kompensacja wysokości pomiędzy wlotem a wylotem z filtra. Filtr wstępny skonstruowano zgodnie z normami określonymi w DWA-M 153. Wyposażenie techniczne filtra zaprojektowano zgodnie z normami określonymi w DWA M 153. Wyposażenie techniczne filtra zaprojektowano do pracy pod maksymalnym obciążeniem, np. przy dziedzińcach, parkingach samochodów osobowych i mniej zatłoczonych ulicach.
Dom i Woda radzi:
W celu prawidłowego finkcjonowania wymagane jest czyszczenie filtra. Pokrywa filtra może zostać zdjęta w bardzo prosty sposób. Wystarczy ją obrócić i unieść do góry. Zdjęcie pokrywy umożliwia sprawdzenie ilości zanieczyszczeń zgromadzonych w filtrze. Przed usunięciem zanieczyszczeń należy wyjąć z filtra wkład filtracyjny i go oczyścić.
Dodatkowo można dokupić kosz na liście, który ułatwia usunięcie nagromadzonych zanieczyszczeń. Kosz wyciąga się przy pomocy linki, po wyjęciu wkładu filtracyjnego.
Dla ułatwienia konserwacji filtra warto dokupić filtr koszowy.
Filtr jest przeznaczony do montażu pod powierzchnią gruntu. Ma on za zadanie oczyścić wodę deszczową przed dopływem do zbiornika. Nie jest konieczna kompensacja wysokości pomiędzy wlotem a wylotem z filtra. Filtr wstępny skonstruowano zgodnie z normami określonymi w DWA-M 153. Wyposażenie techniczne filtra zaprojektowano zgodnie z normami określonymi w DWA M 153. Wyposażenie techniczne filtra zaprojektowano do pracy pod maksymalnym obciążeniem, np. przy dziedzińcach, parkingach samochodów osobowych i mniej zatłoczonych ulicach.
Dom i Woda radzi:
W celu prawidłowego finkcjonowania wymagane jest czyszczenie filtra. Pokrywa filtra może zostać zdjęta w bardzo prosty sposób. Wystarczy ją obrócić i unieść do góry. Zdjęcie pokrywy umożliwia sprawdzenie ilości zanieczyszczeń zgromadzonych w filtrze. Przed usunięciem zanieczyszczeń należy wyjąć z filtra wkład filtracyjny i go oczyścić.
Dodatkowo można dokupić kosz na liście, który ułatwia usunięcie nagromadzonych zanieczyszczeń. Kosz wyciąga się przy pomocy linki, po wyjęciu wkładu filtracyjnego.
Dla ułatwienia konserwacji filtra warto dokupić filtr koszowy.


Sprawdź oceny naszych Klientów 
