Drodzy Klienci, zamówienia złożone po 17 grudnia będą realizowane w styczniu. Życzymy pięknych Świąt.
5,0 Opinie w GoogleSprawdź oceny naszych Klientów

Centrala deszczowa House Premium


centrala-deszczowa-zasilajaca-dom-i-toalete-wc-pralke-umywalke-w-wode-miejska-i-deszczowke

Stan: Nowy produkt

Dostępność: od 2 do 3 dni roboczych




Centrala deszczowa do wykorzystania wody deszczowej m.in w toalecie do spłukiwania w WC
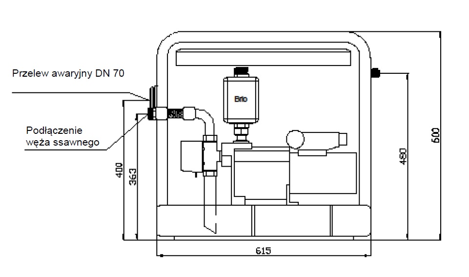
Pompa z rezerwowym zasilaniem wodą pitną: Uwaga: Ciśnienie wody wodociągowej powinno być w zakresie od 3 do 4 bar, żeby zawór napełniający działał poprawnie. W pobliżu pompy potrzebne są 2 gniazdka elektryczne.

4 997 zł

Darmowa dostawa

Ilość

Więcej informacji


Centrala deszczowa do zasilania toalet, pralek i umywalek
 
Ze zbiornika czarnego z rezerwową wodą pitną, na którym stoi pompa należy wykonać przelew awaryjny do kanalizacji, na wypadek gdyby zawór napełniający w zbiorniczku czarnym zaczął przepuszczać. Przelew najlepiej wykonać z zasyfonowaniem.
Pływak w zbiorniku na deszczówkę na zewnątrz powinien być tak ustawiony aby przy pustym zbiorniku wisiał ok. 15 cm nad dnem, wtedy przełączy zawór trójdrożny na zasilanie z wodociągu. Zapobiegnie to opadnięciu ssawy na dno i zaciąganie osadów ewentualnych.Przewód ssący i kabel od przełącznika pływakowego należy poprowadzić w osłonie rury d110 do budynku. Na wylocie rury z budynku należy założyć uszczelnienie (przejście szczelne).Pompa samozasysająca, ale maks. długość linii ssącej to 12 m, a głębokość zasysania 3 m !.Podłączenie do zasilania:Do jednego gniazdka podłączamy włącznik ciśnieniowy Brio, zaś pompę podłączamy do gniazdka wychodzącego z włącznika Brio.Do drugiego gniazdka podłączamy kabel pływaka, na wtyczce pływaka jest gniazdko, w które należy podłączyć siłownik elektryczny zaworu trójdrogowego.